Onno's Electronics Page
A bit of electronic stuff from the past century
Valve Veneration
Neon Nostalgia
Instruments
Projects
Odds & Ends
On this site:
Site Map
Contact
About this site
Links
Home
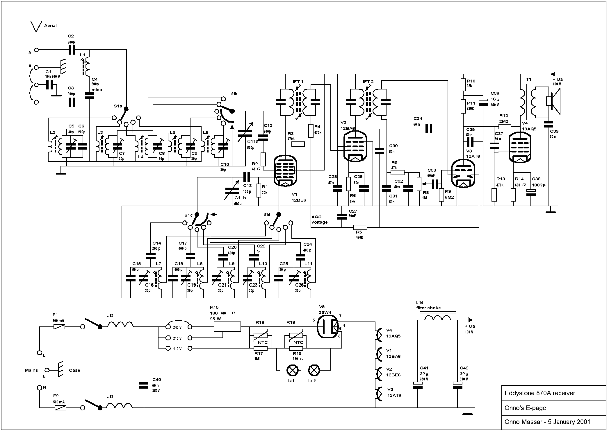
Eddystone 870A (1961) schematic diagram
Copyright © 2001 by Onno's E-page published 2001-01-31, last updated 2003-03-11